Old Intercom System Wiring

Old Intercom System Wiring. Besides, you will need to disconnect and possibly cut wiring to separate it from the old intercom system. Web finally, you can also opt to install your own wired home intercom system.

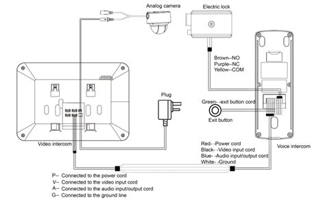
M&s Wiring Diagram
M&s Wiring Diagram from diagramweb.net

It's simply a matter of studying the circuit and working out the similarities and differences between the two. Web untwist the wires or use pliers to carefully cut them where they attach at the main unit. We have the replacement intercom and wiring instructions.

However, If The Old Wiring Is Not Compatible With The New Intercom, You May Want To Seek The Help Of A Professional.


Web identify old intercom system equipment american device, couch, auth, florence, amplitone, pacific, intercom equipment, pictures of very old apartment intercom room stations and amplifiers. Web untwist the wires or use pliers to carefully cut them where they attach at the main unit. Web find it at your breaker box and flip the switch.

Whenever An Electrical Current Is Involved, You Want To Be As Safe As Possible.


Web wiring up an #antique intercom system. Web yes, in most cases. This setup makes things simple when you’re upgrading.

All The Changes Are Easily Reversed.


Mobile access control systems allow tenants to speak to visitors and let them in. You can now remove the mounting bracket and faceplate. Some of these intercoms may operate using the wiring of the old system.

The Most Efficient Way To Convert Your Old Intercom System Is To Embrace Mobile Access Control.


Ist retro music & intercom master station. At central vacuum stores, we've. Shout out to chris for the telecom wire!

We Have The Replacement Intercom And Wiring Instructions.


Close up any holes in your wall. A small hole and the cut wires will remain on the wall. Support the soon to be opening museum and see extra.